Subject:      Modification for easy v2
   Date:       Sun, 4 Aug 2002 21:14:29 +0700
   From:      "Taufik IR" <taufikir@telkom.net>
     To:        <kswichit@kmitl.ac.th>

Dear Wichit,

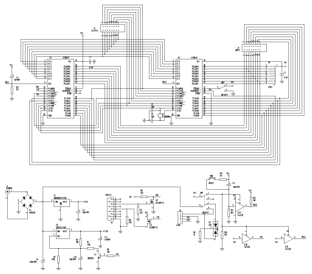
This is my modification for your easy downloader v2 for in system programmer (not only for programming, but can running program in target microcontroller) !

Just switching sw1 in mode program or in mode running, sw2 for resetting target microcontroller and sw3 for testing external ram. j1 for power supply dc/ac 15v, j2 and j3 for connecting external i/o to target microcontroller, j4 pin 1 and 2 is for external power supply (dc 15v) activated only in mode running, j4 pin 3 is for pin oe/cs (output enable/chip select, something like 74245 or 74573) if you still connect i/o while programming so it won't happen verify error, and j4 pin 4 is for pin le (latch enable in 74573/373) if you connect an extenal ram (please change sw3 too).

I use rs232 ttl level using 2 fet bs250 and bs170 and a few resistor, but you can change with any rs232 ttl level such as max232, or ds275.

I hope this can help someone who wants to build his own programmer for developing something.